2016年01月13日 星期三

球磨机及附属配套设施项目(第二次)成交公告中国地质调查局自然资源综合调查指挥中心-k8凯发

发布时间:2025-08-08
  一、项目编号:tc250f0aa
  二、项目名称:球磨机及附属配套设施项目(第二次)
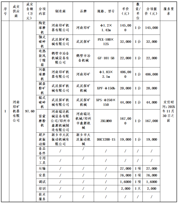
  三、成交信息
  供应商名称:河南郑矿机器有限公司
  供应商地址:河南省郑州市荥阳市乔楼镇荥密路与310国道东100米路南
  成交金额:人民币97.60万元
  综合得分:93.88分
  四、主要标的信息

  五、评审专家名单:姚广义、杜玉艳、王斐然。
  六、代理服务收费标准及金额:1.47万元,按照竞争性磋商文件规定收取。
  七、公告期限:自本公告发布之日起1个工作日。
  八、其他补充事宜
  (1)本项目采购方式:竞争性磋商。
  (2)成交供应商综合得分:93.88分
  (3)相关供应商对成交结果有异议的,可自公告期届满之日起7个工作日内书面提出。
  (4)竞争性磋商文件电子版详见上传附件。
  (5)合同履行日期:按采购人需求 (如遇特殊困难情况,双方协商顺延)。
  (6)成交供应商名称/成交金额(人民币)/成交供应商地址(详见附表):

  九、凡对本次公告内容提出询问,请按以下方式联系。
  1.采购人信息
  采购人:中国地质调查局自然资源综合调查指挥中心
  地址:北京市西城区红莲南路55号
  电话:(010)59305263
  2.采购代理机构信息
  名称:中招国际招标有限公司
  地址:北京市海淀区学院南路62号中关村资本大厦601a室
  k8凯发的联系方式:(010)62108186、62108246
  3.项目k8凯发的联系方式
  项目联系人:李振、刘雨婷、韩颖、杨凡、钱卉卉
  电话:(010)62108186、62108246
  十、附件
  1.竞争性磋商文件
  2.成交公告原文
网站地图